Русь-28 с автоответчиком под ремонт

50 руб
Тирасполь 24 Ноября 2025, 10:50 Просмотров: 49
Много настроек, режимов и функций. Самая актуальная функция: автодозвон.
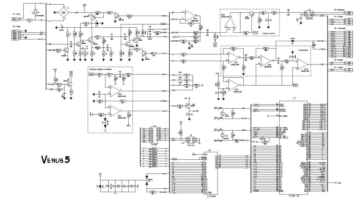
Процессор не видит линию, нет звука в динамике (звонок, громкая связь, мелодии и т. п. ). Экран работает, в трубке есть гудок, в ручном режиме можно позвонить. Есть схема крупнее, чем на фото.
  • Тип предложения
    продам
Цена:50 руб
Цена согласно курсу Приднестровского Республиканского Банка 14.12.2025
  • 52.58 MDL
  • 2.65 EUR
  • 3.11 USD
  • 252.53 RUB
  • 13.51 RON
  • 131.27 UAH
Поделитесь объявлением с друзьями
  • Тирасполь
  • +37377 724094
Загрузка...